Редуктор зубчастий під двигун NEMA 34 - це кріпильний вузол з ремінним редуктором 5:1, який використовується в механізмах побудованих на базі косозубих рейок модуль 1.25 з правим нахилом зубів для передачі та перетворення обертального руху в поступальний і навпаки.
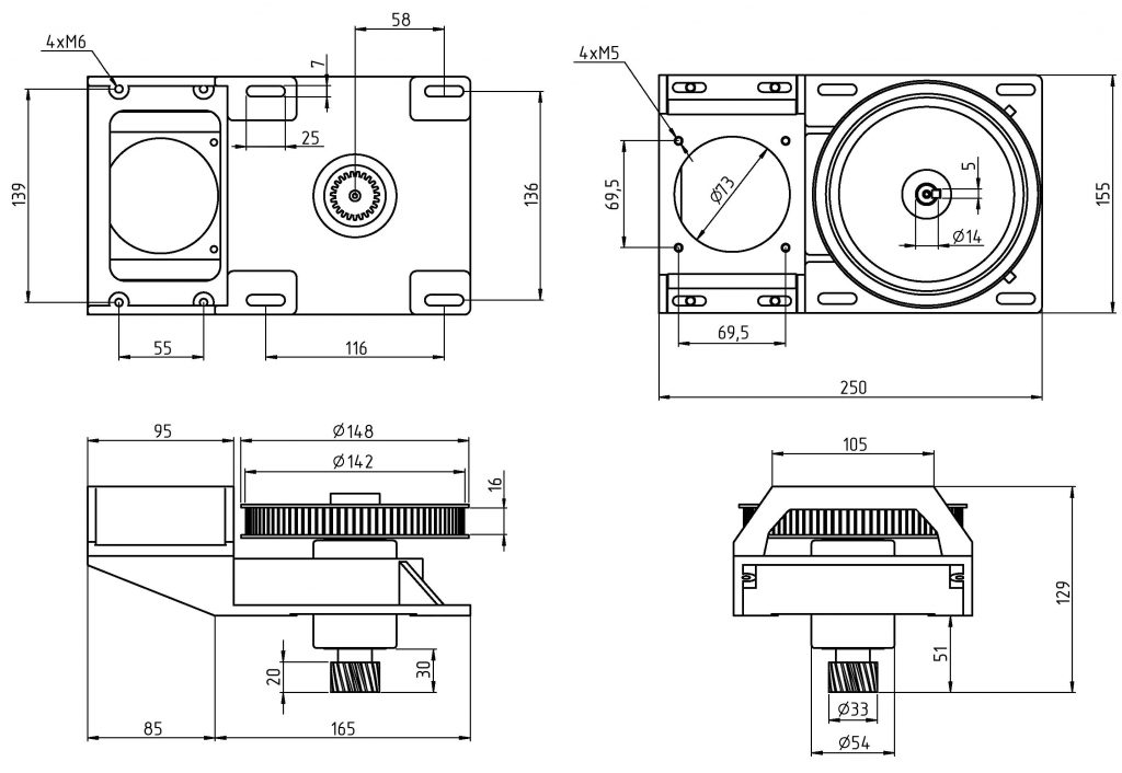
Складовими частинами редуктора є: литий алюмінієвий корпус, кронштейн під кроковий двигун серії 86 (NEMA 34), провідний і ведений шківи, гнучкий зв'язок (зубчастий ремінь), а також шестерня під рейку. Косі зуби дозволяють передачу домогтися високих показників точності, вантажопідйомності та швидкість під час переміщення. Підшипники, на яких установлено вал, мають подвійну пилонепроникну конструкцію.
Для даної моделі буде достатньо для роботи на верстатах з ЧПУ оброблювальних не тверді матеріали (дерево, пластик, кольорові метали тощо). Редуктор такого типу піддатливий до налагодження - так, з допомогою натягу ременя можна регулювати люфт, тим самим домагаючись максимальної точності.
Редуктор дозволяє суттєво розширити діапазон крутних моментів крокового двигуна та швидкість обертання напрямної осі при мінімальних фінансових вкладеннях та конструктивних змінах у верстатах із ЧПУ.
Основними перевагами його використання є: часткове гасіння можливих вібрацій, що передаються від двигуна та корпусу верстата, жорсткість конструкції, стійкою до зовнішніх механічних впливів, здатність передавати значні зусилля без люфтів, висока точність повороту на заданий кут. Планетарний редуктор для верстата з ЧПУ є найбільш затребуваним, має відносно невелику масу, компактну конструкцію, стійкість до скручування, знижену шумність при роботі, високу надійність, тому що мале навантаження на зубці шестерень передавальних і високих передавальних чисел. Крім того, вони суттєво знижують навантаження на вісь крокового двигуна і, відповідно, опори, продовжуючи ресурси роботи механізмів верстата. Хвильові ЧПУ редуктори, на відміну від планетарних, оснащуються гнучкою проміжною шестернею, що дозволяє забезпечити високу плавність ходу, витримувати високі навантаження на вісь, а також підвищити передатне число. При нормованому навантаженні на вісь забезпечується зачеплення лише 15-20% зубів від загальної кількості, внаслідок чого вони працюють майже безшумно.
Особливості:
Технічні характеристики
Використовується разом з Зубчаста рейка модуль М1.25 (косозуба, 1400 мм) (фото та посилання нижче)

Складовими частинами редуктора є: литий алюмінієвий корпус, кронштейн під кроковий двигун серії 86 (NEMA 34), провідний і ведений шківи, гнучкий зв'язок (зубчастий ремінь), а також шестерня під рейку. Косі зуби дозволяють передачу домогтися високих показників точності, вантажопідйомності та швидкість під час переміщення. Підшипники, на яких установлено вал, мають подвійну пилонепроникну конструкцію.
Для даної моделі буде достатньо для роботи на верстатах з ЧПУ оброблювальних не тверді матеріали (дерево, пластик, кольорові метали тощо). Редуктор такого типу піддатливий до налагодження - так, з допомогою натягу ременя можна регулювати люфт, тим самим домагаючись максимальної точності.
Редуктор дозволяє суттєво розширити діапазон крутних моментів крокового двигуна та швидкість обертання напрямної осі при мінімальних фінансових вкладеннях та конструктивних змінах у верстатах із ЧПУ.
Основними перевагами його використання є: часткове гасіння можливих вібрацій, що передаються від двигуна та корпусу верстата, жорсткість конструкції, стійкою до зовнішніх механічних впливів, здатність передавати значні зусилля без люфтів, висока точність повороту на заданий кут. Планетарний редуктор для верстата з ЧПУ є найбільш затребуваним, має відносно невелику масу, компактну конструкцію, стійкість до скручування, знижену шумність при роботі, високу надійність, тому що мале навантаження на зубці шестерень передавальних і високих передавальних чисел. Крім того, вони суттєво знижують навантаження на вісь крокового двигуна і, відповідно, опори, продовжуючи ресурси роботи механізмів верстата. Хвильові ЧПУ редуктори, на відміну від планетарних, оснащуються гнучкою проміжною шестернею, що дозволяє забезпечити високу плавність ходу, витримувати високі навантаження на вісь, а також підвищити передатне число. При нормованому навантаженні на вісь забезпечується зачеплення лише 15-20% зубів від загальної кількості, внаслідок чого вони працюють майже безшумно.
Особливості:
- Висока точність
- Висока вантажопідйомність
- Високі показники швидкості переміщення
- Можливість регулювання люфту
- Можливість зміни передатного числа за рахунок використання інших шківів
- Часткове гасіння можливих вібрацій двигуна
- Ремонтопридатність
- Простота в обслуговуванні
- Легкість монтажу та демонтажу
Технічні характеристики
- Модель: BR86-5-HLM1.25-L30
- Передатне відношення (передаточне число): 5:1
- Відповідний кроковий двигун: серія 86 (NEMA 34)
- Діаметр ведучого шківа: 27.5 мм
- Кількість зубів ведучого шківа: 18
- Посадковий діаметр ведучого шківа: 14 мм
- Шпонка ведучого шківа: 5 мм
- Діаметр веденого шківа: 142 мм
- Кількість зубів веденого шківа: 90
- Зубчастий ремінь: HTD 550-5M ширина 15 мм
- Модуль шестерні: 1.25
- Тип зубів шестерні: косі
- Кількість зубів шестерні: 23
- Діаметр шестерні: 33 мм
- Довжина шестерні: 30 мм
- Матеріал корпусу: алюміній
- Габаритні розміри: 250 мм х 155 мм х 129 мм
- Вага: 2.1 кг
Комплектація:
- Ремінний редуктор 5:1 BR86-5-HLM1.25-L30
- Шків HTD 5M на 18 зубів
- Зубчастий ремінь HTD 550-5M
Використовується разом з Зубчаста рейка модуль М1.25 (косозуба, 1400 мм) (фото та посилання нижче)

Інформація для замовлення
- Ціна: 2 356,70 ₴






